
Leakage of reagent in Purification Building
(May 17, 2006)
[Note:The event caused no harm to any individuals and did not release any
radioactivity to the environment.] |
|
(Note) Recognizing the world-wide public interest for our plant operation
status, especially after the start of Final Commissioning Test at Reprocessing
Plant on March 31, 2006, we decided to disclose all the facts, even below
INES Level 1 events, which may arouse public concern.
We believe that this kind of positive attitude towards transparancy and
effort of JNFL shall gain the trust, reliability and confidence to the
local citizens as well as to the international community.
|
|
|
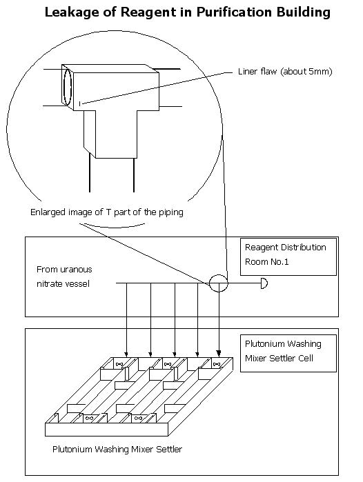
On May 17th evening, An operator recognized unidentified liquid dripping from the piping at one of the reagent distribution room in Purification Building.
The plutonium purification process was stopped immidiately, and confirmed visually that the dripping has also stopped.
By the investigation, approx. 7liters leakage of radioactive reagent (uranous
nitrate solution*1) for the use of Plutonium Washing Mixer Settler*2 was identified.
The leaked reagent will be recovered and treated properly.
The readings of the Main Stack Monitor and the On-Site Monitoring Posts did not show any changes related to this event. Also, it had no effect to the environment as well as to the operator.
*1 Uranous nitrate solution : Nitric acid solution including uranium.
It is used to remove plutonium included in solvent.
*2 Plutonium Washing Mixer Settler : A machine, which is used to remove
plutonium included in solvent. |
|
Result of the Investigation and Preventive Measures of Recurrence
[Result of the Investigation]
We confirmed by Penetration Test that the leakage point was located in
the base material part of the T-shaped connecting pipe (hereinafter called
T part). The observation of the surface and the cross-section of the T
part proved that the leakage was caused because nonmetallic inclusions* included in the material were corroded by uranous nitrate solution and resulted as penetration.
The T part which caused the leakage at this time was made in the same conditions
(hereinafter called "same lot") that the T part which had droplets
last July. The cause of the leakage was identical.
[Preventive Measures of Recurrence]
We experienced the leakage in the same lot T part last July, so among the
same lot T parts, the ones which had been used in similar conditions (exposed
to nitric acid solution) were removed and their cross-sections were checked.
Corrosion was found in several cases. We will change the T parts with the
new ones whose materials were examined, before fitting.
* Nonmetallic inclusions: Impurities such as oxide and sulfide
[Image 1]

[Image 2]

|
|
 |
|
|
|